Osvětlenost meteo, osvětlení 29.02.2020 15:54 04.03.2020 17:50

Pro měření venkovního osvětlení se využije modulu C-RI-0401S, který je ve vestavném provedení do instalační krabice, zakončen konektorem, na který připojíme vlastní čidlo osvětlení BPW21 (dostupný jako samostatně objednávané příslušenství). 

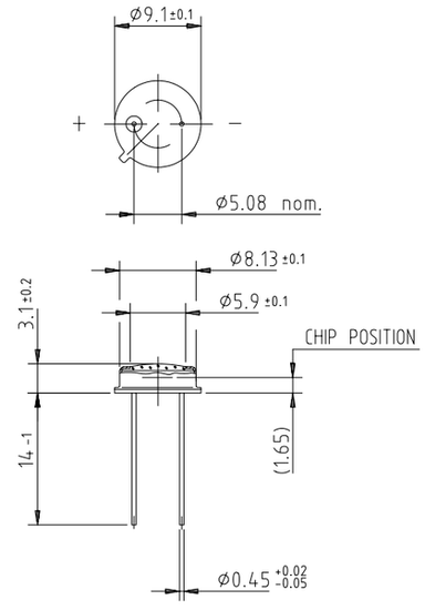
Čidlo osvětlení musíme mechanicky upevnit tak, aby snímal čelní částí osvětlení a zbytek pouzdra včetně vývodů byl chráněn před mechanickými a povětrnostními vlivy. Kladný (+) vývod čidla osvětlení (viz rozměry čidla na obrázku) připojíme na vývod 7 (šedá) a záporný pól na vývod 6 (modrá).

Při manipulaci s čidlem a montáži je potřeba dbát opatrnosti, jedná se o elektronickou součástku s jemnými vývody (vývody se nesmí ohýbat těsně u pouzdra, nebezpečí ulomení).

Podrobnější popis modulu C-RI-0401S včetně připojení vstupů a výstupů je uveden na konci příručky v popisu modulu C-RI-0401S.



Obr. 1 Rozměry čidla osvětlení BPW21 včetně polarity vývodů

Poznámky:

  1. Vývody čidla se nesmí ohýbat těsně u pouzdra, s čidlem se musí manipulovat opatrně.
  2. Přívodní kabel od čidla k modulu (je-li nutné jej prodloužit) doporučujeme stíněný kabel např. SYKFY 2x2x0,5, délka kabelu max. 2 m.

Při instalaci čidla BPW21 a následně modulu C-RI-0401S je nutné zohlednit ochranu proti přepětí – pozor na instalaci poblíž svodu bleskosvodu popř. velkých kovových konstrukcí domu. V případě potřeby je možné na rozhraní zón instalovat přepěťovou ochranu na CIB sběrnici.