Ohřev TV, FVE, nabíjení EV FVE 20.03.2020 08:39 20.03.2020 08:39

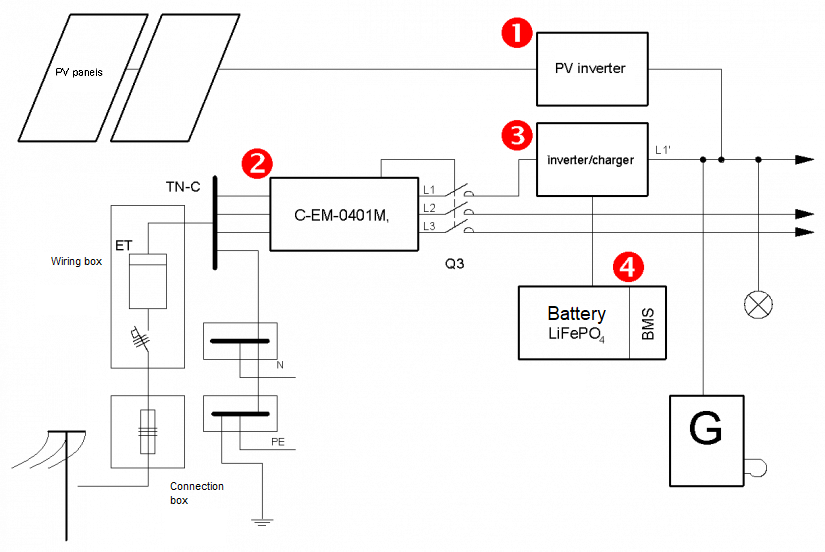
Základní provedení HFVE s využitím hybridního střídače a připojenými FV panely s AC vazbou prostřednictvím standardního síťovéh střídače – vhodné i pro stávající FVE. Fáze L1 je připojena na vstup hybridního střídače, výstup střídače L1' je připojen do síťového rozvodu OM. Toto řešení umožňuje ostrovní režim, kdy je dle výstupního výkonu střídače zálohována fáze L1'. Za běžného provozu umožňuje funkce bypass průchod přes střídač i výrazně větších výkonů, než je vlastní výkon střídače a lze na fázi L1' připojit plnou spotřebu domu. V případě výpadku sítě je nutno omezit spotřebu dle maximálního výkonu střídače – což je jeden z úkolů řídicího systému. Hybridní střídač zajistí i v ostrovním režimu síť pro funkci síťového střídače, zároveň umožní z přebytku energie nabíjení připojených baterií.


Obr. Základní přehledové schéma typické konfigurace 1f HFVE s AC vazbou FV panelů

Základní komponenty pro řízení HFVE:

❶ Střídač, např. Sunny Boy 2.5 řízený systémem Foxtrot (komunikační rozhraní)

❷ 3f rychlý čtyřkvadrantový elektroměr s funkcí ochranného odpojení na sběrnici CIB

❸ Střídač, např. Studer Xtender XTM 2600-48 řízený systémem Foxtrot (komunikační rozhraní)

❹ Bateriové úložiště, LiFePO4 baterie např. 48 VDC, 100 Ah včetně BMS