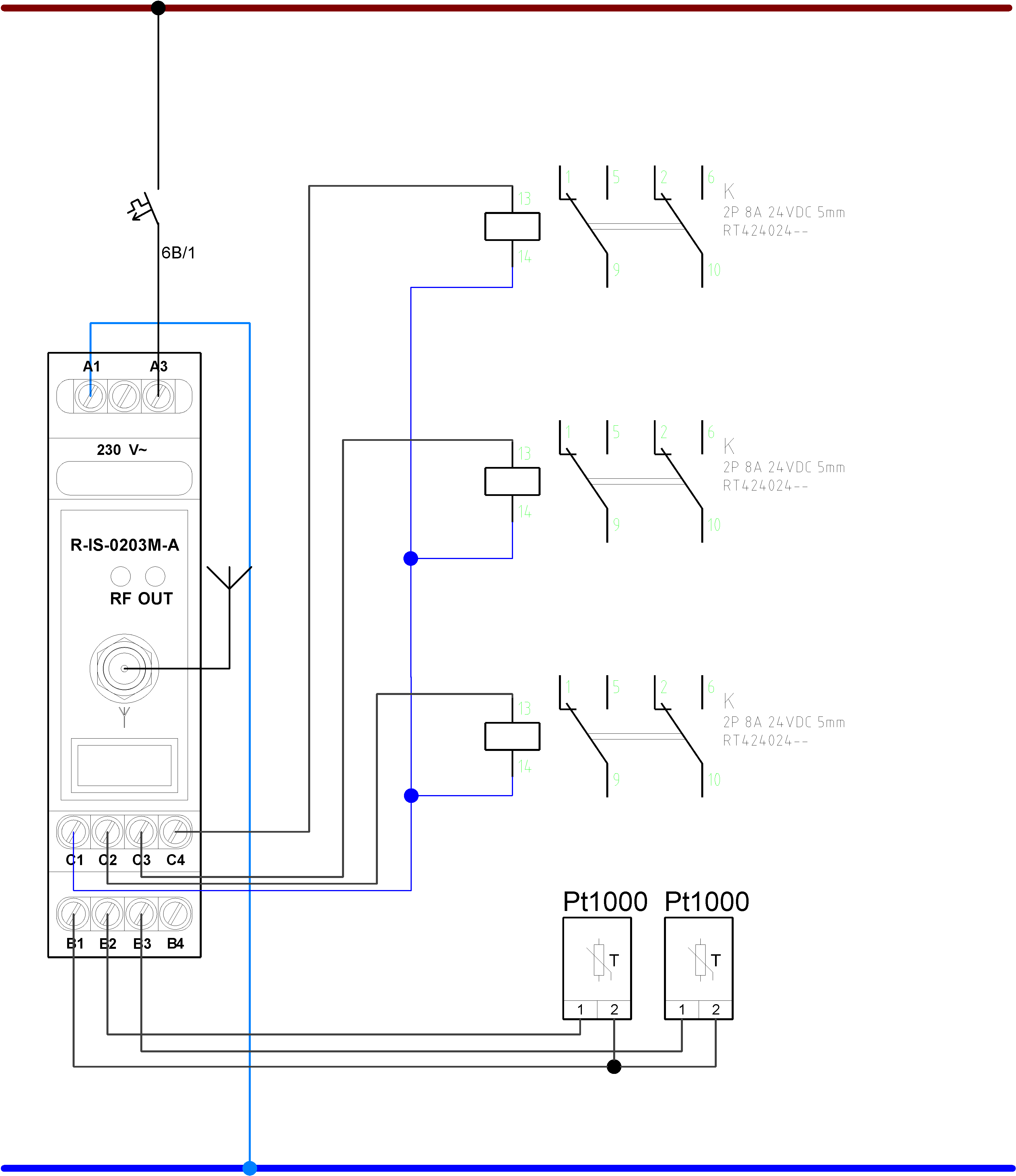
Pro bezdrátové ovládání různých zátěží lze použít modul R-IS-0203M, jehož výstupy spínáme výkonová relé. Na obr.1 je znázorněno spínání 3 relé RT (Schrack) přímo výstupy PWM1 až PWM3, které jsou použité jako běžné binání výstupy (z programu do výstupu zapisujeme pouze 0 nebo 100%). Je potřeba zohlednit celkový max. proud všech tří výstupů 50 mA, takže relé RT je možno spínat 3 (použít všechny výstupy modulu). Společná záporná svorka výstupů je GND (svorka C1), na výstupech PWM1 (svorka C2) až PWM3 (svorka C4) je výstupním spínacím prvkem (tranzistor PNP) spínáno interní napětí 24 VDC, max. 50 mA celkem. Společné vnitřní napájení výstupů PWM1 až PWM3 je chráněno pomalou vratnou pojistkou 50 mA, vlastní spínací prvek je s max. proudem 1A, takže je schopen snést krátkodobé zvýšení proudu (v okamžiku sepnutí apod.).
Analogové vstupy modulu je možno použít pro připojení teplotních čidel Pt1000 a měření teplot (analogové vstupy jsou galvanicky oddělené od síťového napájecího napětí 230 VAC - svorky A1 a A3. Společná svorka analogových vstupů GND (svorka B1), vstup AI0 je svorka B2, vstup AI1 svorka B3.
Analogový výstup AO0 je možno použít jako běžný, standardní výstup 0 ÷ 10V, např. pro ovládání servopohonu ventilu apod.

Obr. 1 Příklad spínání 3 relé RT výstupy modulu R-IS-0203M
Čeština