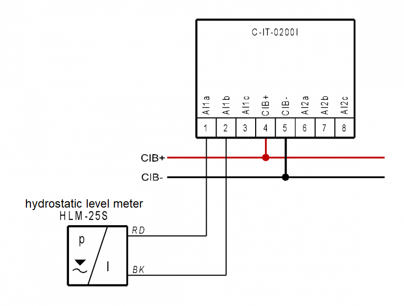
Continuous level measurement of aggressive liquids in non-pressure reservoirs, boreholes, wells, pools, etc., can be done using a hydrostatic level meter, e.g. the HLM-25S. A liquid column up to the height of 100 m can be measured with this instrument, which has a health certificate for contact with potable water and is fitted with an overvoltage protection inside the probe. The probe is suspended in the tank on a cable, which is terminated with a capillary (for atmospheric pressure compensation) and two wires (a current loop 4÷20 mA); an example of connection to the C-IT-0200I module is shown in the following figure.

Fig. 1. Wiring the level meter HLM-25S
Notes:
-
The installation is done by suspending the probe into the measured space (tanks, boreholes); the probe is left hanging on the cable, or is placed on the bottom.
-
As the cable contains a compensation capillary, its connection to the extension cord should be done using a non-hermetic junction box; if you need to wind up the excessive cable, make sure that the diameter of the bundle is at least 30cm; the cable manufacturer recommends not to shorten or otherwise mechanically modify the cable.
-
The C-IT-0200I module can be placed in close proximity to the tank; it features a higher protection IP-65.
-
If the cable needs to be extended, it is recommended to use a shielded cable (e.g. J-Y(St)Y 1x2x0.8); the shielding should be connected as convenient - to the protective earth at the site of the module, etc.
English