Redox (and possibly also chlorine calculations) can be measured by probes manufactured by the Elektrochemické detektory s.r.o. company, which manufactures a wide range of probe designs, and also can help you by counselling on their selection and installation.
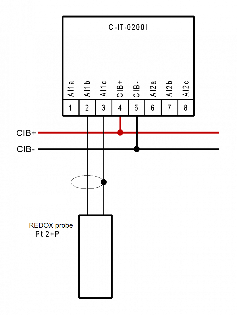
The following figure illustrates the wiring of the Pt 2+P probe to the C-IT-0200I module.
The best possible measurement conditions can be ensured by using only one input of the module for measuring the pH, and leaving the second input unconnected. In some installations there is an interaction with the second probe (REDOX) connected to the second input, which can be partly eliminated by suitable placement of two probes in the piping. However, if you do not wish to experiment, connect only one probe to one module.
Measurements performed in this way are only indicative and suitable for applications without high precision requirements.
Accurate measurements can be performed, e.g., by converters made by Mires, www.mires.cz.

Fig. 1. An example of wiring the probe for measuring the pH to the C-IT-0200I
English