Overvoltage protection 16.03.2020 17:32 16.03.2020 17:32

The socket circuits can be protected by Type 3 of SPDs, either in the version with an HF filter (this is a better solution for sensitive electronics), or with basic protection without an HF filter.

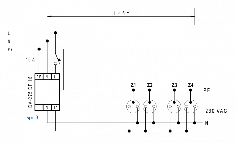
To ensure proper protection, the distance from the socket to an SPD element should not exceed 5 m.

Compliance with this condition can be achieved either by installing an SPD to each socket, or by suitable layout of SPDs so that the distance to any socket would be shorter than 5 m.

 

The example in Fig. 1. shows a solution with the socket circuit shorter than 5 meters, so by using one SPD Type 3 with an HF filter into the distribution board you protect all sockets in the circuit.

 

The example in Fig. 2. shows a solution with the socket circuit longer, where correct protection of sockets is again provided by an SPD Type 3 in the distribution board (at the beginning of the circuit) and then, where necessary, directly under the sockets (into a deeper flush box) are installed other SPDs (a miniature DA-275A).

Fig. 1. Protection of a socket circuit up to 5 m

 

Fig. 2. Protection of a socket circuit by several SPDs

 

The DA-275 A

The Type 3 SPD - surge protection module

Surge protection for a subsequent installation in devices, machines, equipment, etc., designated for protection of all types of electric and electronic low-voltage equipment against pulse overvoltage.

It is suitable for single-phase supply networks, where the L, N wiring does not have to be observed in the assembly.

It can also be used for single-phase power supply networks with a decoupling transformer.

 


Fig. 3. Dimensions of the DA-275 A surge protection