Overvoltage protection 16.03.2020 17:24 16.03.2020 17:24

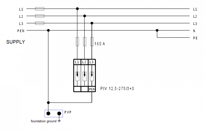
Wiring the protection of Type 1 (lightning current suppressor) of the mains for objects with the main fuse up to 63 A connected by an earth cable, the TN-C network for LPL III (houses, small office buildings, agricultural buildings and residential buildings) and LPL IV (buildings and halls free of people and internal equipment).

Proper coordination between T1 and T2 requires a cable at least 10 m long, or using a surge separating inductor (PI-L).

Fig. 1. An example of connection of the PIV 13.5-275/3+0 lightning surge suppressor

 

Notes:

  1. Protecting the surge suppressor is only necessary if the main backup fuse is more than 160 A (in industrial applications it is recommended to use it every time, due to periodic inspections).