Wiring the protection of Type 1+2 (lightning current suppressor) of the mains for objects with the main fuse up to 63 A connected by an earth cable, the TN-C network for LPL III (houses, small office buildings, agricultural buildings and residential buildings) and LPL IV (buildings and halls free of people and internal equipment).
Coordination between T1 and T2 established by the manufacturer, maximum pulse current (10/350) 12.5 kA.
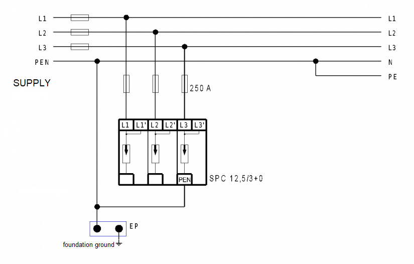
The SPC 12.5/3+0 is a suppressor of lightning currents of the Types 1+2 in accordance with the IEC 61643-1 standard. It should be installed on the LPZ 0-1 interface (in accordance with the IEC 1312-1 and EN 62305), where it provides ballancing of potentials and elimination of switching surges, which occur in power supply systems entering the building, especially in the TNC (3 + 0, or 1 + 0) power supply systems. In other operating systems, such as the TN-S and TT in the 1+1 or 3+1 mode, the SPC hardware is complemented with a power surge suppressor for equipotential bonding between N and PE.

Fig. 1. An example of connecting the SPC 12.5/3+0 lightning current suppressor
Notes:
-
Protecting the surge suppressor is only necessary if the main backup fuse is more than 250 A.
-
The double terminals of the device (L1, L2) enable the “V” connection with the load capacity up to 63 A (protecting the suppressor in “V” connection is up to 63 A).
English