CIB 26.04.2020 10:06 26.04.2020 10:06

BDM-024-V/1-FR1-CIB

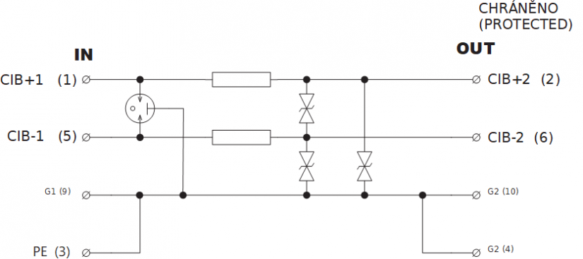
Lightning current arrester with two-stage switch protection of personal data for the bus CIB.

  • installation at the entrance to the building near the protected equipment, at the interface of zones LPZ 0 – LPZ 1 and higher

  • ​​​​​​​can also be used to protect the interfaces of control systems MaR, EZS, EPS, etc.

  • against longitudinal overvoltage (line - protective earth) rough protection and against transverse overvoltage (core - core, GND) rough and fine overvoltage protection

 

  • removable module, coupling impedance (R - resistance), line separated from protective earth by lightning arrester

 

Technical parameters

SPD type

 

D1, C2

Connection (input – output)

 

clamp - clamp

SPD location

 

ST 1+2+3

Rated voltage

Un

24V DC

Highest continuous operating voltage

Uc

25 VAC

Highest continuous operating voltage

Uc

36 VDC

Rated load current at 25 ° C

IL

1 A

C2 rated discharge current (8/20 µs) per core

In

10 kA

C2 rated discharge current (8/20 µs) GND-PE

In

10 kA

C2 total discharge current (8/20 µs) of the PE core

ITotal

20 kA

D1 impulse discharge current (10/350 µs) per core

Iimp

2,5 kA

D1 total discharge current (10/350 µs) of the PE-core

ITotal

5 kA

C3 protective voltage level core-core mode at 1 kV/µs

Up

46 V

C3 protection voltage level GND-PE mode at 1 kV/µs

Up

550 V

C3 protective voltage level core-GND mode at 1 kV/µs

Up

46 V

Core-core response time

ta

1 ns

GND-PE response time

ta

100 ns

Core-GND response time

ta

1 ns

Serial resistance per core

R

0,8 Ω

Core-core frequency limit

f

4 MHz

Cross-section of connected wires fixed (min)  

0,14 mm2

Cross-section of connected wires fixed (max)

 

4 mm2

 

Cross-section of connected wires stranded (min)

 

0,14 mm2

 

Cross-section of connected wires stranded (max)

 

2,5 mm2

Protection level

 

IP 20

Ambient temperature range – min

 

-40 °C

Ambient temperature range – max

 

70 °C

Assembly

 

DIN rail 35 mm

Meets the requirements of the standard  

ČSN EN 61643-21+A1,A2

 


Fig. 1. Dimension of module

 

Fig. 2. Module assembly

Notes:

  1. The terminal screws are grooved 3,5 x 0,6 mm, tightening torque 3,5 Nm.

  2. Min. wire cross section is 0,14 mm2, max. cross section for solid wire is 4 mm2 and 2,5 mm2 for stranded wire with sleeve.

 

 

Fig. 3. Internal connection of the module