The zone valve is used to control the flow into individual zones of hydraulic distribution system (e.g. heating, cooling or solar systems, water distribution, etc.). There are two-way or three-way valves. A two-way valve allows only closing or opening of individual hydraulic circuits; a three-way valve directs the flow from one common inlet to one of the two outlets, depending on whether it is open or closed. The zone valves are further divided in accordance with their use, maximum and closing pressure, temperatures and types of fluids, types of electrical drives and security features.
The zone valves are usually designed with a two-point control, allowing only an ON/OFF function (a two-way valve) or switching (a three-way valve).
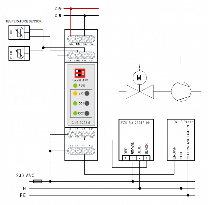
The following figure shows an example of electrical connection of the VZK 2xx - 230 - 1P – 001 zone valve produced by Regulus. It is controlled by the C-IR-0203M module together with the Wilo Yonos circulation pump .

Fig. 1. An example of connecting a two-point controlled VZK valve
Notes:
-
The VZK valve has a stand-by consumption about 3 VA; when the motor is running, it is approximately 7 VA.
English