DHW Heating, PV, EV charging 20.03.2020 08:37 20.03.2020 08:37

The most common version of a PV plant, which consists of its own PV panels and a grid inverter, which is connected directly to the grid distribution at the point of consumption (OM). This solution does not allow island mode, the inverters used always need the presence of mains voltage for their function. 



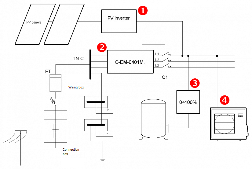
Fig. 1. Basic overview scheme of 1f network PV

 

Basic components for PV plant control:

❶ Inverter, eg Sunny Boy 2.5 controlled by Foxtrot (communication interface)

❷ 3f fast four-quadrant electricity meter with protective disconnection function on the CIB bus

❸ Continuous power control to resistive load (phase, aplitud)

❹ Continuous control of the heat pump compressor input or air conditioning