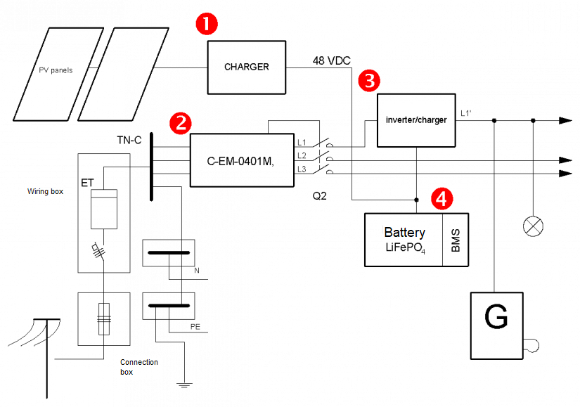
Basic version of HFVE using a hybrid inverter and connected PV panels with DC / DC connection via a charger (MPPT tracker) to the backup battery. The L1 phase is connected to the input of the hybrid inverter, the output of the L1 'inverter is connected to the OM grid. This solution enables an island mode, where the L1 'phase is backed up according to the output power of the inverter. During normal operation, the bypass function allows the passage of the inverter even through significantly higher outputs than the inverter's own output, and the full consumption of the house can be connected to the L1 'phase. In the event of a grid failure, it is necessary to limit consumption according to the maximum power of the inverter - which is one of the tasks of the control system.

Fig. 1. Basic overview diagram of a typical 1f HFVE configuration with DC coupling of PV panels
Basic components for HFVE control:
❶ DC / DC charger controlled by Foxtrot system (communication interface)
❷ 3f fast four-quadrant electricity meter with protective disconnection function on the CIB bus
❸ 3f fast four-quadrant electricity meter with protective disconnection function on the CIB bus
❹ Battery storage, LiFePO4 batteries eg 48 VDC, 100 Ah including BMS
English