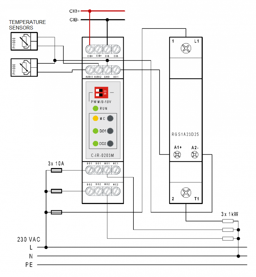
For continuous power control to resistive load, eg heating cartridges of storage tank on TV we can use SSR modules, eg for outputs up to approx. 3 kW module RGS1A23D25, controlled by PWM output of the system - in the example used module C-IR-0203M. The module allows you to switch 2 heating coils and control the third continuously with PWM output (thus obtaining continuous control in the range 0 ÷ 3 kW for 3x 1 kW coil) and simultaneously measure up to two temperatures - eg temperature in the battery tank needed for optimal TV temperature control.

Fig. 1 Example of continuous control of resistive load (electric heating of DHW)
Notes:
-
The SSR module switches on and off at zero crossing, which is positive for minimizing interference, but on the contrary impairs the possibility of continuous control and also increases the risk of rapid voltage change (so-called flicker) caused by a long PWM period, which can cause negative visual perception.
-
More precise control of the power to the resistive load (max. 1 kW, possibly also 2 kW) will also enable the use of the C-DM-0402M-RLC module.
-
When installing SSR modules, it is necessary to take into account their large own heat loss, which may limit the maximum switching power (according to the data of the manufacturer of the module).
-
the example demonstrates a circuit where we continuously control a load of 0 ÷ 3 kW on one phase.
English