Security and fire alarm detectors, access control 24.02.2020 18:39 24.02.2020 18:39

Contact-free reading cards and similar identifiers in accordance with the standard 125 kHz can be also facilitated by the sensors OP10, OP30I, OP45 and other Honeywell products, which should be connected to the C-WG-0503S module.

The module provides powering the sensor, communication between the Wiegand and the sensor, and control LEDs and the buzzer.

 

Design:

OP10 a miniature design.

OP30 a narrow design for mounting next to the door frames.

OP45 a square design for mounting on a flush box.

The OP40 and OP90 should be connected in the same way.

 

Tab. 2. A description of signals of the OPxx sensor connectors

Wire

Signal

red

+12V

black

GND

white

data1

green

data0

brown

LED

violet

TAMPER

 

 

 

 

 


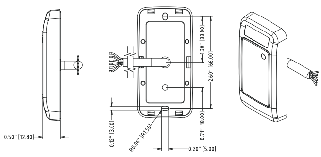
Fig. 1. The dimensions for mounting of the OP10 sensor (information in inches and mm)

 

 

The properties and parameters of the OP10, OP30 and OP45 sensors

The OPxx sensors are designed for contact-free reading (RFID) of 125 kHz identifiers.

The sensor is equipped with a two-colour LED indication and a buzzer.

The sensor is designed both for indoor and outdoor installation.

The sensor is mounted on the wall with two screws (approx. M3, or 3.5 mm wood screws); the layout of the mounting holes is indicated (in Fig. 1.) in the middle between the mounting holes in the rear wall there is a fixed connecting cable.

The cable is terminated with free coloured wires, see Tab. 1.

 

Tab. 1. The basic parameters of the OPxx sensors

The type of reader

OP10

OP30

OP45

 

 

 

 

Technology

HID, contact-free

Working frequency

125 kHz

Supply voltage

5 - 16 Vss

Consumption

35 mA

The output format

Wiegand

Maximum reading range

5 cm

9 cm

9 cm

LED diode

2-coloured

buzzer

yes

The casing colour

black+grey+beige (supplied)

Protection

IP 65

Operating temperature

-31 - 63°C

Relative humidity

0 - 90 %

Usage outdoors

yes

Dimensions - the height

80 mm

145 mm

89 mm

Dimensions - the width

40 mm

43 mm

89 mm

Dimensions - the depth

13 mm

20 mm

15 mm

Compatible card (an example)

ProxCard II, ISOProx II

Compatible pendant (an example)

ProxKey II

Compatible sticker TAG (an example)

MicroProx Tag