HDO signal 16.03.2020 15:22 16.03.2020 15:22

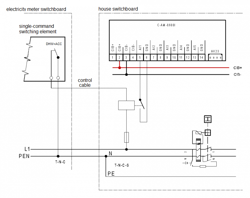
The following figure shows an example of an indirect connection of one-command switching element to the C-AM-0600I module binary input, which provides the power control of the blocked appliances and also has information on the validity of the low tariff.

 

The connection can operate either independently, or it can be an appropriate complement to the variant of direct connection of the switching element to the CP ripple control input, where the 230 VAC input cannot be utilized for another command, or where a third command needs to be captured, for which there is no more free 230 V input (similarly to the previous chapter).

 

Fig. 1. Connecting a one-command switching element to the C-AM-0600I module

 

Notes:

  1. The figure shows the TN-C network in the electricity meter control panel changed to TN-CS in the house control panel. In the distribution territory of ČEZ Distribuce the network can already be changed in the electricity meter control panel. In such a case the bifurcation of the PEN wire into N and PE should be drawn in the electricity meter control panel. In the distribution territory of E.ON Distribuce is also used the TT network. In this case, the N conductor and PE are completely isolated, and the PE starts with changed in the electricity meter control panel. The listed changes do not alter in any way the illustrated sense of control by the N wire.

  2. This connection is recommended if you need to reliably protect the CP input against surge on the control wire. An auxiliary relay with adequate resilience should be selected (relays are usually less costly than the surge protection). This connection is also useful, if there is no free input on the CP, because in this case a standard digital input can be used.

  3. If there is a protective switch installed at the supply point, the 230 V CP inputs must be connected upstream to avoid the generation of a false residual current.